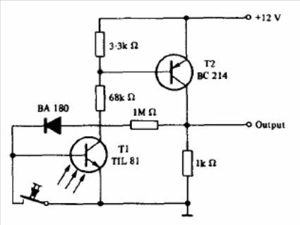
This configuration uses complementary transistors, one of which is the phototransistor. The other may be a BC558. The circuit is from a Texas Instruments opto-electronics manual. The circuit can be used as a shield for microcontrollers.

This configuration uses complementary transistors, one of which is the phototransistor. The other may be a BC558. The circuit is from a Texas Instruments opto-electronics manual. The circuit can be used as a shield for microcontrollers.
