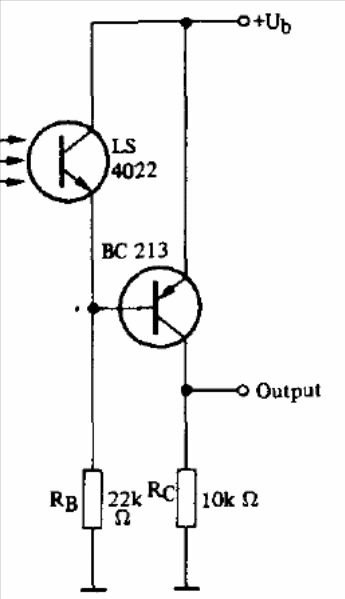
The current of this circuit is determined by a PNP transistor. The circuit is suggested by Texas Instruments in an optoelectronics documentation. The supply voltage depends on the application.

The current of this circuit is determined by a PNP transistor. The circuit is suggested by Texas Instruments in an optoelectronics documentation. The supply voltage depends on the application.
