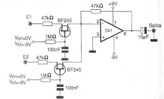
This shield circuit can serve as a basis for a digital mixer or simply for a switch without noise from audio inputs on a mixer, mixer or even on an experimental radio station. The switching of the audio sources in the circuit of the figure is done by applying continuous voltage to the gates of the field effect transistors. Transistors conduct or do not conduct audio signals, as appropriate, applying them to the unit gain operational amplifier. Note that the power supply must be symmetrical and that it is the 47k ohms resistor between the output and the inverting input (pins 6 and 2) that determines the circuit gain. This resistor can be changed, depending on the application. Of course, other operational amplifiers and other field effect transistors can be tried. An interesting point of this assembly is that the transistors can be connected in any way in relation to the drain and source terminals, as the current circulates in both directions when driving. For a digital mixer, for example, the complementary signals of a digital oscillator that must operate at a higher frequency than the audio cut-off are applied to the switching inputs.




