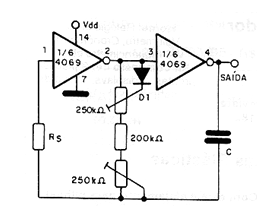
Two inverters of a 4069B type CMOS integrated circuit form this oscillator which is characterized by having an active cycle adjustment. The components Rs and C determine the operating frequency of the oscillator which must be within the limits of the 4069B on the order of 1 MHz for a 5V supply. The control of the active cycle is done according to the D1 diode that determines the capacitor discharge without going through the 250 k ohms trimpot. The other 250k ohm trimpot is used to compensate for the frequency variations that can occur with the change of the active cycle. Other trimpot values can be used.




