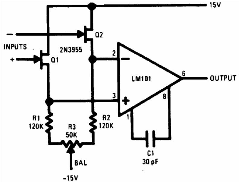
In the figure we have the way to obtain an operational amplifier with FETs at the input, using a common operational one that can be of a more modern type. The circuit is from National Semiconductor's Linear Applications Handbook. The FETs can be the BF245.




