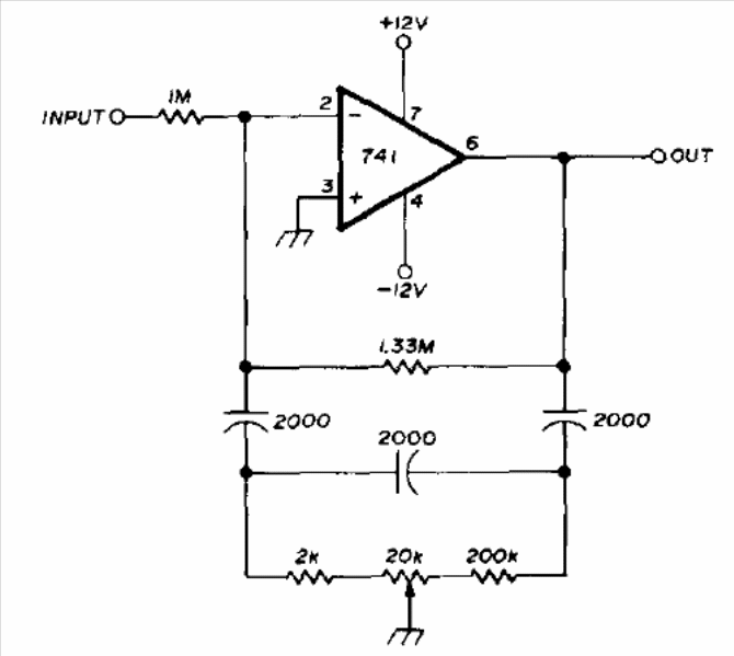
This circuit is from an American publication from 1975 and can use other operational amplifiers and other supply voltages. The center frequency is 1 kHz with a range of 3 dB. The components can be changed to the nearest standard values.
This circuit is from an American publication from 1975 and can use other operational amplifiers and other supply voltages. The center frequency is 1 kHz with a range of 3 dB. The components can be changed to the nearest standard values.