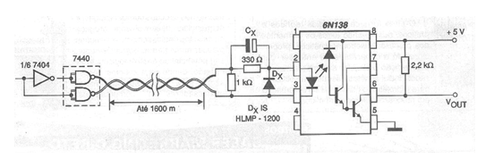
In the figure we have a circuit for line receiver (twisted pair) with the possibility of interconnecting stations distant up to 5000 feet (approximately 1,600 meters). The output is compatible with standard TTL logic and the transmission speed can reach 40 kB / s. The circuit has a common mode rejection and 2 500 V isolation for the 60 Hz mains frequency.




