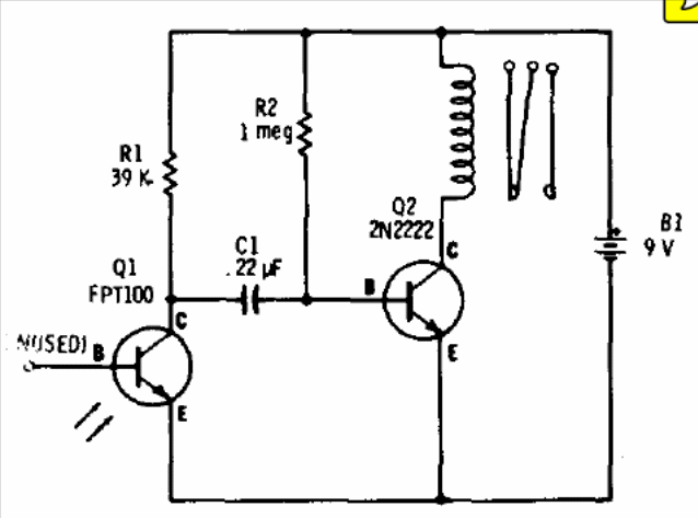
This circuit is from 1976 Radio Shack documentation. It detects when rapid variations in the light that fall on the phototransistor occur. Any phototransistor can be used, and the supply can be made with 12 V to use a relay of this voltage. Resistors R1 and R2 can be changed according to the desired sensitivity.




