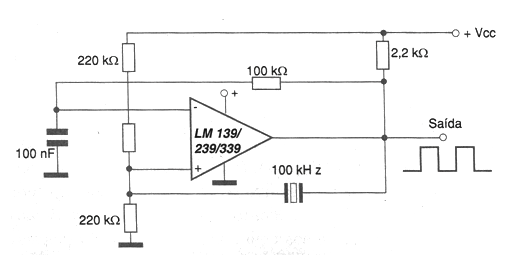
Frequencies up to just over 100 kHz can be obtained with an oscillator based on one of the four voltage comparators on the LM139 / 239 or 33i9 integrated circuit, as shown in the figure. The supply can be made with voltages from 5 to 12 V and the signal obtained at the output is rectangular with an active cycle of approximately 50%. The other comparators of the same integrated circuit can be used in other applications since they are independent. Observe the existence of the pull-up resistor necessary for the circuit since its output is made with a transistor with the collector open.




