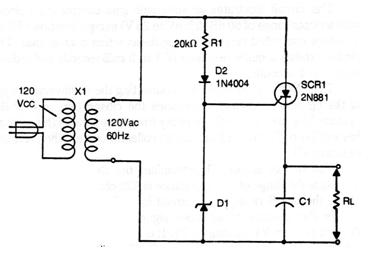
This circuit supplies a load with pulsating direct current that can be filtered by C1 (10 uF to 100 uF) depending on the load. The circuit is from old American documentation, and the TIC106 can be used for currents up to 3 A. The transformer has a secondary one according to the load current, serving as insulation. It is advisable to protect the circuit with a 3 A fuse in the primary of the transformer. The SCR must be equipped with a heatsink and D1 depends on the application and can have values between 3 and 12 V.




