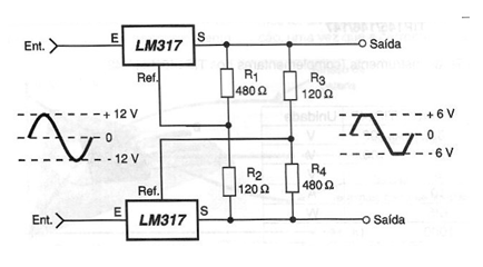
Two 3-terminal regulators like the LM317 can be used to "clip" a sinusoidal signal, in order to obtain a regulation, as shown in the figure. In this circuit, a sinusoidal signal with a peak value of 12 V can be regulated so that both negative and positive peaks do not exceed 6 V. The value of the output voltage is given by the divider formed by the resistors of 480 ohms and 120 ohms. These components can be changed to obtain other peak values of the output voltage. Just remember that the peak value of the input voltage must be at least 2 V greater than the peak of the desired voltage at the output. The regulators can operate with currents up to 1.5 A and must be equipped with good heat radiators.




