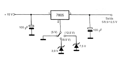
The circuit in the figure can supply voltages of 5, 8.9 and 12.5 V at its output, doing all this from a fixed voltage regulator of 5 V. The maximum output current is 1 ampere, and the integrated circuit voltage regulator must be equipped with a good heat radiator, especially if the reader intends to work within its current limits. The zener diodes are 400 mW and the input capacitor must have a higher working voltage than the input capacitor. The output capacitor can be 16 V.




