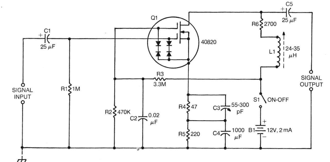
This circuit is from RCA documentation from the 70s. The dual-gate MOSFET is not very easy to obtain, but the other components are common. This circuit has an excellent gain in a frequency range that goes up to about 10 MHz. The amplitude of the output signal reaches 1 Vrms. The components can be changed according to the desired characteristics. The consumption is very low, around 2 mA.




