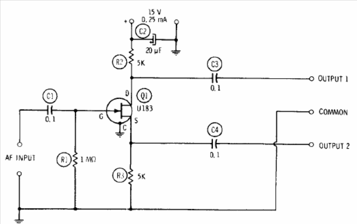
This circuit was found in a 1977 documentation. The gain is 3 dB and instead of the original transistor, the BF245 or MPF102 can be used. The outputs provide signals with opposite phases. The input frequency can be up to 50 kHz and the power can be between 9 and 15 V.




