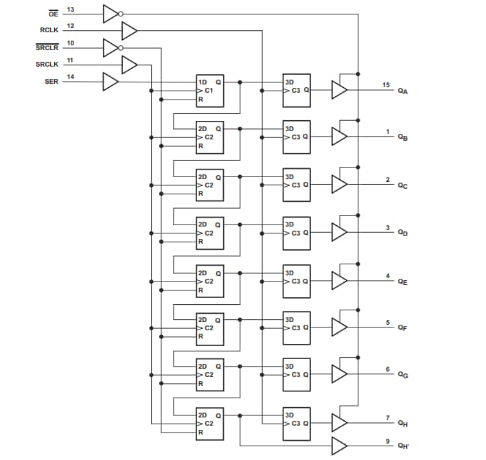
Texas Instruments SN74AHCT595/SN74AHCT595-Q1 8-Bit Shift Registers feature an 8-bit serial-in, parallel-out shift register that provides an 8-bit D-type storage register. The shift register clock (SRCLK) and storage register clock (RCLK) are positive-edge triggered. The TI SN74AHCT595-Q1 is AEC-Q100 qualified for automotive applications.




