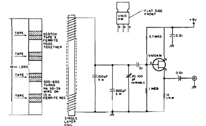
This circuit for the 60 kHz range was found in 73 magazine and published in 1995. The circuit uses a ferrite rod. Note the direction of the coil windings.
This circuit was found in documentation from 1977. Its purpose is to diode-switch the frequency of a VFO....
This circuit is from a 1974 Ferranti transistor manual. The circuit is analog, and the components used...
Found in a 90s Popular Electronics, this circuit generates high voltage for radiation detecting...