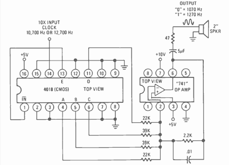
This CMOS generator with the 4018 IC was found in a November 1976 Radio Electronics magazine. It uses a 741 op-amp as the audio amplifier.
This FET voltmeter is from an old 1974 amateur radio publication. The circuit can use MPF102 or...
This indicator was found in a 1974 publication, but it can be fitted with the BC548 transistor or...
This circuit was found in the comparator's own documentation, serving others in the same series. The...