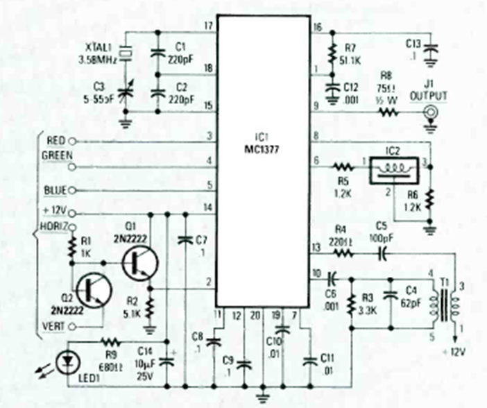
This circuit was found in the 1991 Electronics Experimenters handbook. It can be used to display RGB signals on old NTSC televisions.
The circuit shown is suggested by National Semiconductor in its 1994 Linear Applications Handbook. We...
The ZN416E integrated circuit is uncommon today. It consists of a complete radio, like the one...
In the figure we show how to implement a voltage reference with the ON Semiconductor rail-to-rail...