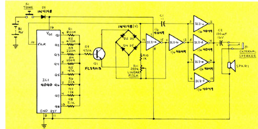
Found in the June 1987 issue of Radio Electronics magazine, this circuit uses well-known CMOS components. The circuit has a CMOS amplifier stage that drives a small speaker.
The figure below shows an AC transconductance amplifier with the National Semiconductor LM3900. The...
This circuit uses a Hall sensor in the feedback of signals that produce oscillations. The circuit is...
This experimental circuit for moving a stepper motor was found in a 2002 documentation. However, given...