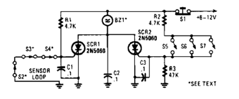
This alarm with sensors in series and parallel was found in the 1995 Encyclopedia of Electronic Circuits. The number of sensors can be changed at will.
The circuit shown is suggested by National Semiconductor in its 1994 Linear Applications Handbook. We...
The ZN416E integrated circuit is uncommon today. It consists of a complete radio, like the one...
In the figure we show how to implement a voltage reference with the ON Semiconductor rail-to-rail...