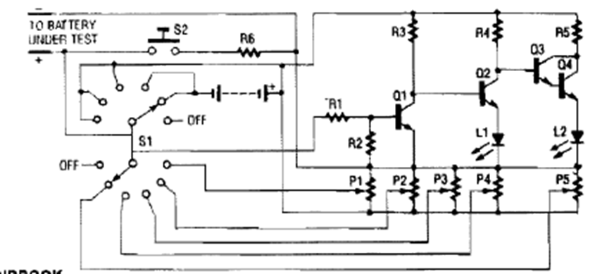
This test circuit was found in the PE Hobbyst Handbook in a 1990s edition. The circuit tests the battery under load. The load, as the battery is selected by the switch.
The circuit shown is suggested by National Semiconductor in its 1994 Linear Applications Handbook. We...
The ZN416E integrated circuit is uncommon today. It consists of a complete radio, like the one...
In the figure we show how to implement a voltage reference with the ON Semiconductor rail-to-rail...