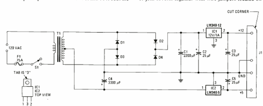
This power supply for those who want to feed and recover 5 ¼ floppy disks was found in the Electronics Experimenter magazine special edition of 1983.
The circuit shown is suggested by National Semiconductor in its 1994 Linear Applications Handbook. We...
The ZN416E integrated circuit is uncommon today. It consists of a complete radio, like the one...
In the figure we show how to implement a voltage reference with the ON Semiconductor rail-to-rail...