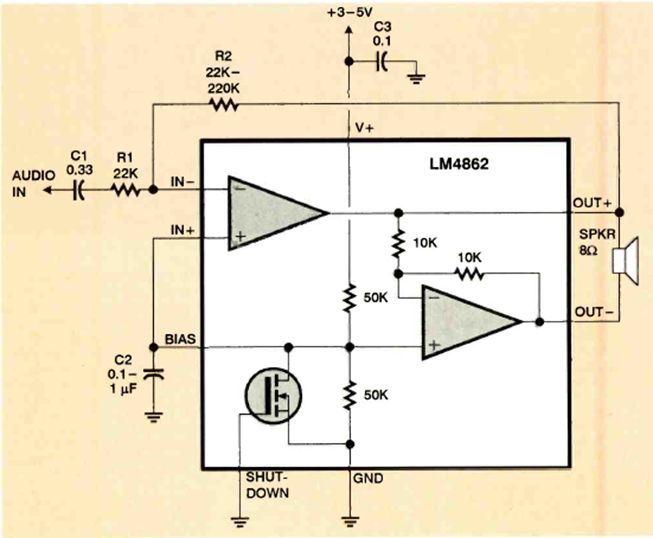
We found this small audio amplifier in the November 1999 issue of Electronics Now magazine. The integrated circuit used is not very common today.
This circuit was found in documentation from 1977. Its purpose is to diode-switch the frequency of a VFO....
This circuit is from a 1974 Ferranti transistor manual. The circuit is analog, and the components used...
Found in a 90s Popular Electronics, this circuit generates high voltage for radiation detecting...