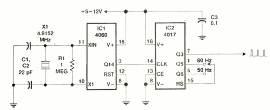
This crystal-based circuit can generate accurate 50 or 60 Hz signals. The circuit is from a November 1998 Electronics Now magazine. The output signal consists of rectangular pulses.
The circuit shown is suggested by National Semiconductor in its 1994 Linear Applications Handbook. We...
The ZN416E integrated circuit is uncommon today. It consists of a complete radio, like the one...
In the figure we show how to implement a voltage reference with the ON Semiconductor rail-to-rail...