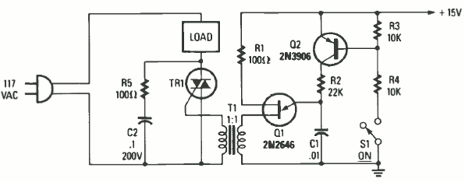
This triac circuit was found in the October 1987 Radio Electronics magazine. The triac is load-dependent and must be mounted on a heat sink.
This circuit is from an old Japanese magazine from 1960. The circuit uses germanium transistors from the...
This is the factory setting (National Semiconductor) of the TDA2006 as an audio amplifier. The...
This circuit can use a pendulum sensor. We found this configuration in a 1994 publication. The...