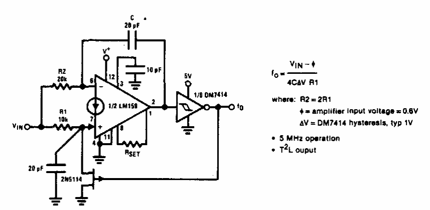
This circuit makes use of an operational amplifier from the 80's. The circuit can be implemented with modern transconductance operational and TTL logic working as a shield.
This configuration for switching signals uses only common general-purpose diodes such as 1N4148. The...
This digital electronic game circuit was found in a 1982 publication. It randomly draws the...
This version works in the opposite way to the previous one, activating when the light falls on the...