This circuit was found as part of another project in a January 1988 Radio Electronics magazine. The frequencies are given by the timing capacitors.
We find this circuit in a 1980s Linear Technology documentation. The circuit can be implemented on the...
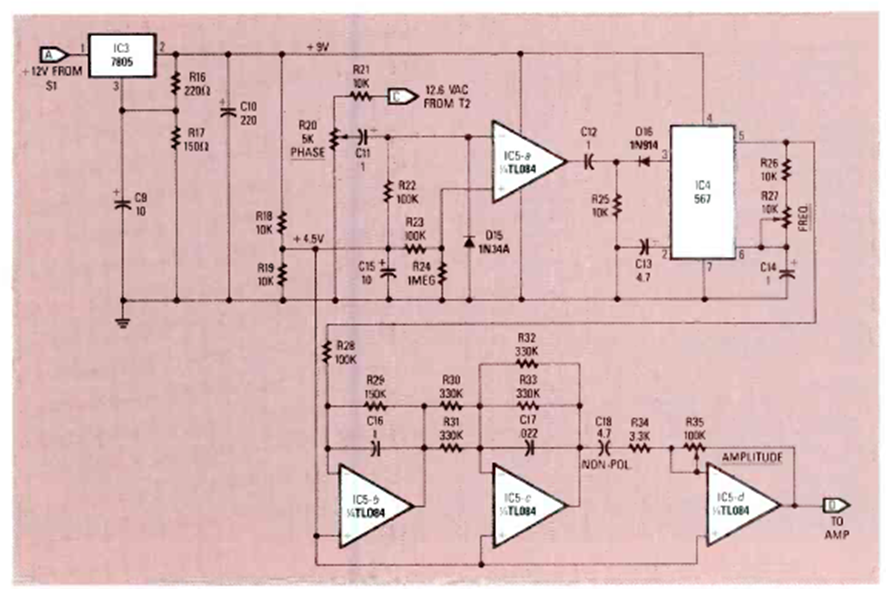
This circuit was found in the July 1982 issue of Radio Electronics magazine. The integrated...
This good gain antenna up to 30 MHz was found in an American 1990s documentation. The circuit can be...