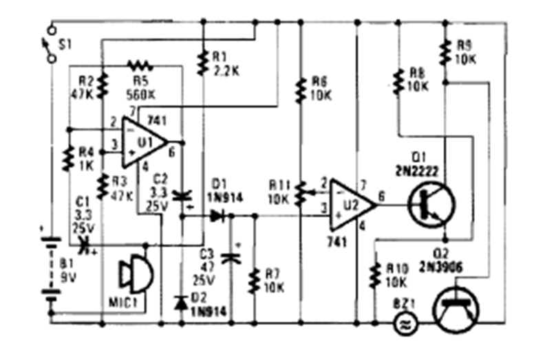
This alarm siren was found in volume 5 of the 1995 Encyclopedia of Electronic Circuits. The circuit powers a buzzer.
This circuit was found in the December 1995 issue of Electronics Now magazine. The circuit...
In the figure we have the photo-conductive way of using a photocell to control a small motor with...
This circuit, which can be used on percussion instruments, has the oscillation point adjustment made in...