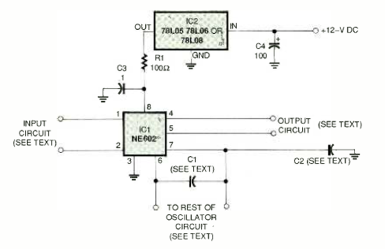
This circuit was found in the February 1997 Electronics Now magazine. The circuit has a power supply for the NE602 and free inputs and outputs for projects.
This circuit was found in the December 1995 issue of Electronics Now magazine. The circuit...
In the figure we have the photo-conductive way of using a photocell to control a small motor with...
This circuit, which can be used on percussion instruments, has the oscillation point adjustment made in...