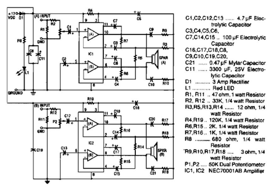
Using NEC 70001 AB integrated circuits, this 20 W per channel stereo amplifier was republished in the PE-Hobbyst Handbook in an edition from the 1995s. The circuit appears in several publications. This one is from 1995.
Using NEC 70001 AB integrated circuits, this 20 W per channel stereo amplifier was republished in the PE-Hobbyst Handbook in an edition from the 1995s. The circuit appears in several publications. This one is from 1995.