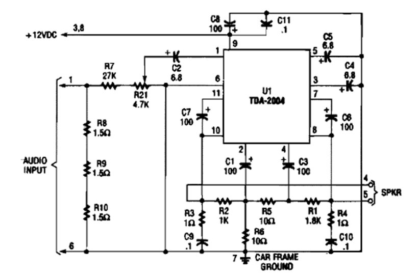
This car audio amplifier was found in a Popular Electronics Hobbyist Handbook from the 1990s. The circuit uses the TDA2004 to boost the car radio output of cars of the time.
This circuit was found in the December 1995 issue of Electronics Now magazine. The circuit...
In the figure we have the photo-conductive way of using a photocell to control a small motor with...
This circuit, which can be used on percussion instruments, has the oscillation point adjustment made in...