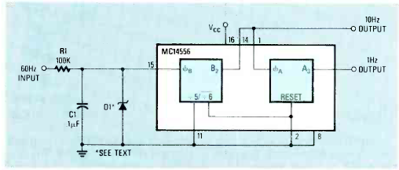
This time base circuit was found in the January 1988 issue of Radio Electronics magazine. The output signals are 1 Hz and 10 Hz TTL.
T1 and T2 can be BC557 and T3 a TIP32 for lamps up to 3 A. The supply is made by voltage of 12 V...
This fourth-order filter was found in American documentation from the 90s. The circuit applies to...
This resistance meter uses a two-transistor oscillator as basic configuration. The tone produced...