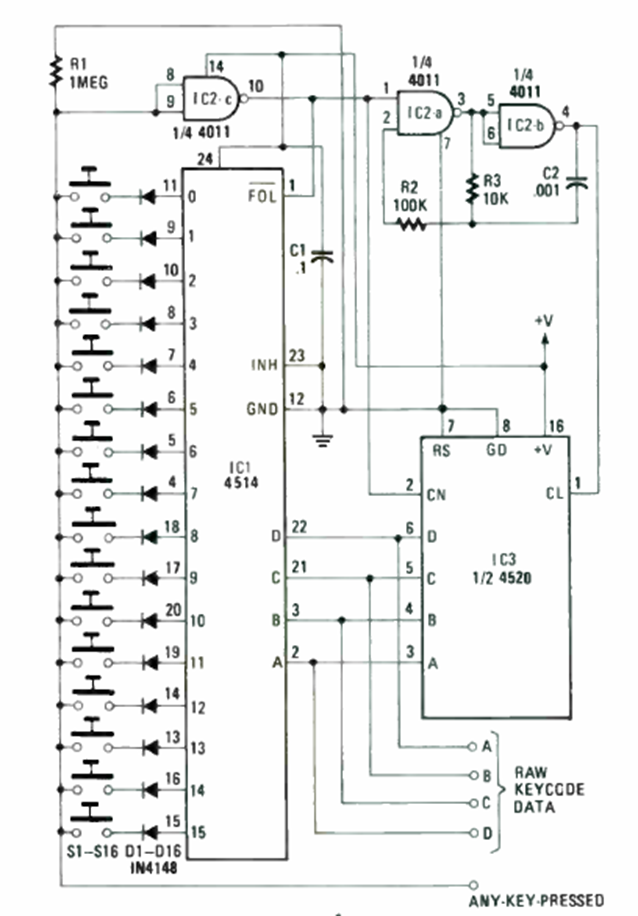
This circuit was found in the July 1987 issue of Radio Electronics magazine. It uses CMOS technology to convert the control of 10 pushbutton switches into binary.

This circuit was found in the July 1987 issue of Radio Electronics magazine. It uses CMOS technology to convert the control of 10 pushbutton switches into binary.
