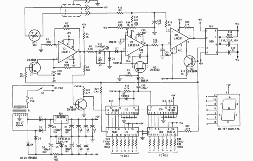
This circuit was found in the September 1977 issue of Radio Electronics magazine. The power supply is included, and the logic used is TTL.
This circuit was obtained from an old American documentation having a limited adjustment range....
The movement of the LEDs in this circuit mimics the back-and-forth movement of a pendulum, making it...
This circuit is from a 1967 documentation. It makes use of varicap and diode tunnel in addition to...