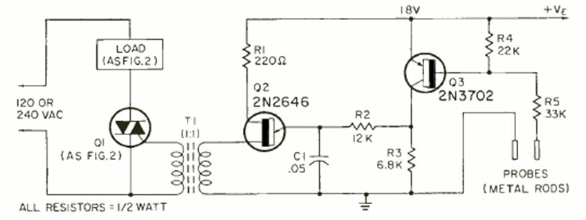
This circuit is from a July 1970 Radio Electronics magazine. The sensors are metal probes. The 18 V power source must be isolated from the mains.
The reference voltage determines the output voltage on this circuit which has a maximum current of 5 A....
This filter of two transistors has the cutoff frequency determined by the formulas next to the...
July 2017 - Ricoh's new 200mA R1524x voltage regulators are available from Mouser Electronics with...