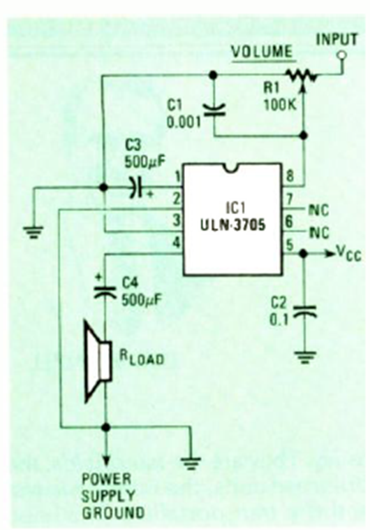
Using the ULN-3784B this circuit typically supplies 5 W at 24 W. However, it can operate from 9 V. The circuit is from October 1984 Radio Electronics.

Using the ULN-3784B this circuit typically supplies 5 W at 24 W. However, it can operate from 9 V. The circuit is from October 1984 Radio Electronics.
