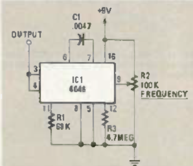
This circuit was found in November 1984 Radio Electronics magazine. The frequency is given by C1 which can be changed to other ranges.
Found in Popular Electronics from the 90s, this circuit uses a 2N2646 and a general-purpose transistor...
The crystal frequency of this circuit found in an American documentation is limited only by the...
These two circuits were found in Radio Electronics magazine from February 1960. The transistor is a power...