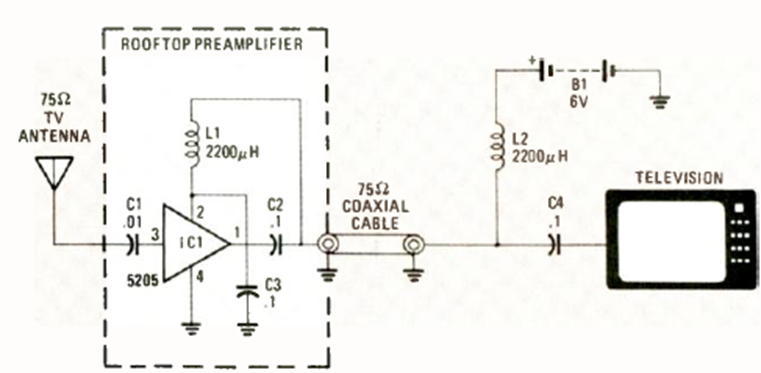
This circuit, which also serves to amplify FM signals from an external antenna, was found in the May 1987 issue of Radio Electronics magazine. Note that the circuit is powered by the drop cable itself.
This circuit, which also serves to amplify FM signals from an external antenna, was found in the May 1987 issue of Radio Electronics magazine. Note that the circuit is powered by the drop cable itself.