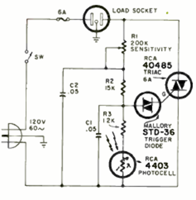
This circuit for incandescent lamps was found in the February 1972 Radio Electronics magazine. The triac is rated according to the lamp power and the sensitivity adjustment is made in R1.
Found in Popular Electronics from the 90s, this circuit uses a 2N2646 and a general-purpose transistor...
The crystal frequency of this circuit found in an American documentation is limited only by the...
These two circuits were found in Radio Electronics magazine from February 1960. The transistor is a power...