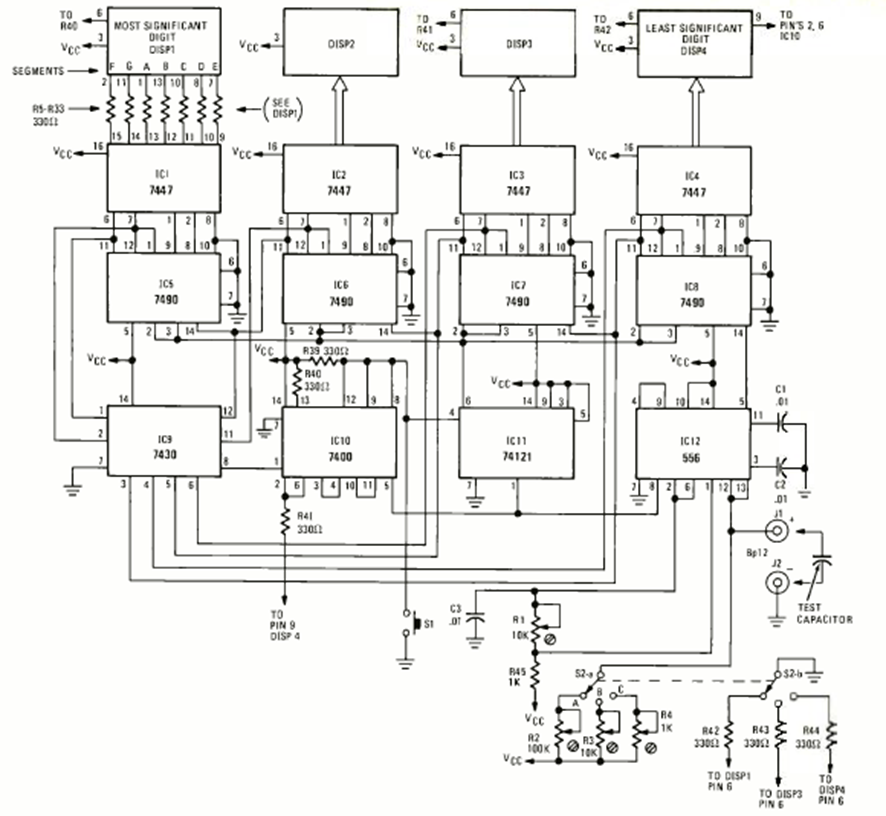
This circuit was found in the December 1977 issue of Radio Electronics magazine. The 4-digit circuit is based on TTL logic and must be powered by a voltage of 5 V.
Found in Popular Electronics from the 90s, this circuit uses a 2N2646 and a general-purpose transistor...
The crystal frequency of this circuit found in an American documentation is limited only by the...
These two circuits were found in Radio Electronics magazine from February 1960. The transistor is a power...