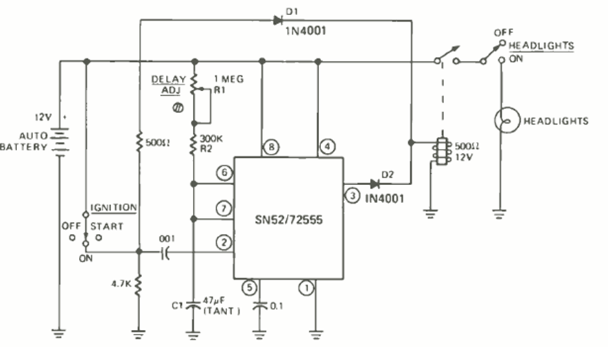
This circuit was found in February 1976, Radio Electronics magazine. The circuit is powered by 12 V and consists of an intermittently triggered timer.
This oscillator was found in the November 1986 issue of Radio Electronics magazine. The frequency...
This sophisticated circuit with a low, medium, and high treble filter is from 1990 documentation. The...
This circuit was obtained from a 1998s Popular Electronics. The magazine no longer exists, but the...