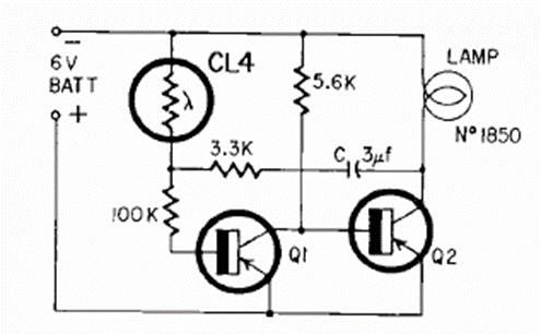
This circuit published in the November 1964 Radio Electronics magazine powers a light bulb but can work with high-power LEDs. The frequency is given by the capacitor. The circuit triggers when there is no light on the sensor.

This circuit published in the November 1964 Radio Electronics magazine powers a light bulb but can work with high-power LEDs. The frequency is given by the capacitor. The circuit triggers when there is no light on the sensor.
