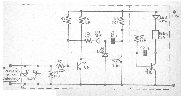
This sensitive circuit for triggering relays was found in an old English publication. It works with alternating signals applied to its input. Transistors are general purpose types.
This photoelectric circuit from a 1960 publication uses a 6.3 V electromechanical counter, common at...
We found this circuit in a magazine 73 from the 90's. It is a circuit indicated for radio-amateur...
) This circuit uses two 4046 CMOS PLLs to produce a modulated signal of good intensity. The MOSFET can...