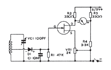
Found in old English documentation this circuit evaluates the power of a transmitter. The circuit has coil according to frequency and the instrument must be 50 or 100 uA with zero in the center of the scale.

Found in old English documentation this circuit evaluates the power of a transmitter. The circuit has coil according to frequency and the instrument must be 50 or 100 uA with zero in the center of the scale.
