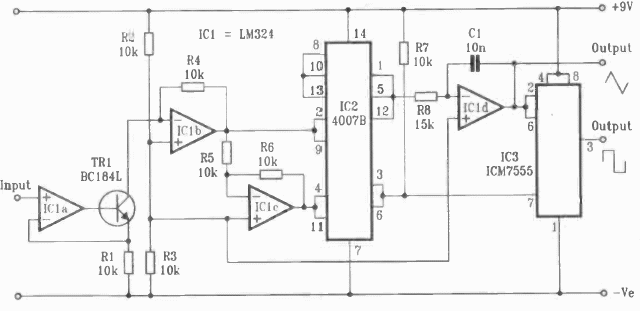
This circuit has a duty cycle of 50%. We found it in old English documentation. The center frequency is around 1 kHz.
This remote-control circuit was found in Radio Electronics magazine from June 1962. It drives a...
In the figure we have a bistable multivibrator using an operational one. The circuit is from old...
The circuit shown in the figure uses general purpose NPN transistors and can be used to generate...