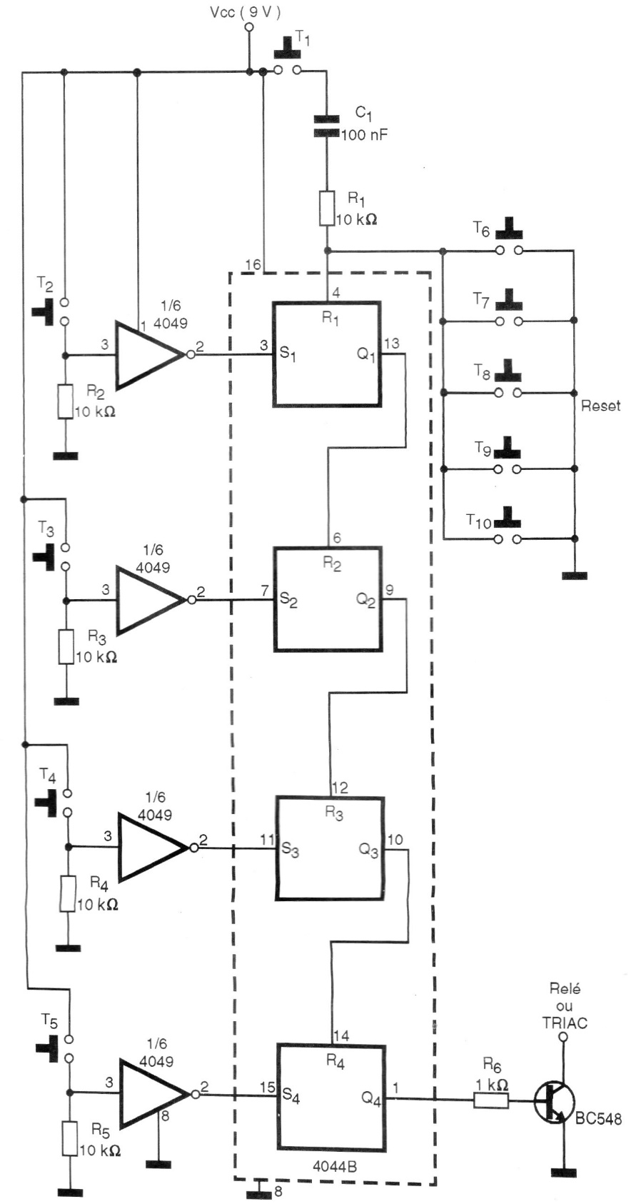
We found this circuit in a 1998 documentation. The circuit makes use of CMOS logic and must be supplied with voltage according to the used relay. Switches T2 to T5 are the password and the others when pressed cause the circuit to reset.
We found this circuit in a 1998 documentation. The circuit makes use of CMOS logic and must be supplied with voltage according to the used relay. Switches T2 to T5 are the password and the others when pressed cause the circuit to reset.