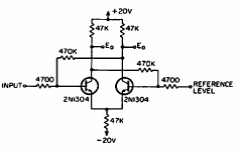
This circuit was found in a 1966 EEE. The circuit can be implemented with modern general-purpose transistors.
Found in old Philips documentation, this circuit uses components from the 60's. | Clique na imagem...
The circuit shown uses the LM324, but can be implemented with other operational ones. The source...
Found in Linear Technology documentation, this circuit drains only 70 uA of the monitored circuit....