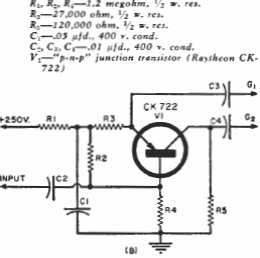
This is one of the many phase inverter configurations that the reader can find on this website. We found it in a transistor manual from the 60s. The transistor is made of germanium from the time.

This is one of the many phase inverter configurations that the reader can find on this website. We found it in a transistor manual from the 60s. The transistor is made of germanium from the time.
