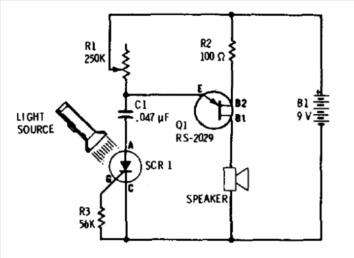
In this circuit, a light-sensitive SCR or Light Activated SCR determines the operation of an oscillator with unijunction transistor. The unijunction can be 2N2646. The circuit is from an old Radio Shack documentation. LASCR is not a common component today.




