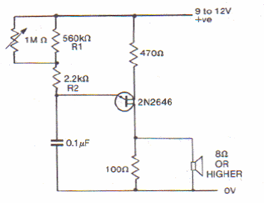
This traditional metronome circuit is powered by voltages from 9 to 12 V and output drives a common speaker.
Maxim MAX20094 and MAX20095 Battery Chargers Maxim Integrated offers through Mouser Electronics high...
This circuit suggested by Intersil, provides a Kelvin scale of 3 and a half digits in a 7106, with...
Found in National Semiconductor documentation from the 1990s, this circuit switches video signals to...